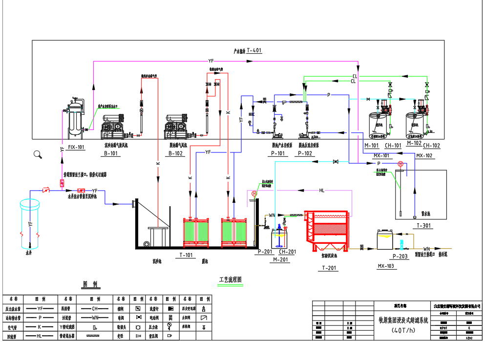
牧原集團作為亞洲最大的養殖行業之一,確保牲畜的飲用水安全是重中之重。結合牧原集團需求,我公司研發生產了一體化浸沒式超濾設備,將自來水、地表水、地下水水源來水經過除鐵錳、過濾殺菌工藝后,達到飲用水要求。
2021年,為牧原集團加工生產、安裝調試浸沒式超濾設備6套,產水量40T/H,最終達到飲用水水質要求。設備由除鐵錳池、膜池和一體化成套設備間組成,保證了集團養殖業安全用水。
撬裝式設計,節約占地;
出水水質穩定;
自動化程度高;
除鐵錳效果好;
模塊化設計,現場安裝簡單;
適用性好。




010-61566819